服务咨询热线:
136-9218-9994
首页
柱塞泵
叶片泵
转子—电机泵
液压阀
关于我们
新闻动态
联系我们
产品分类
柱塞泵
叶片泵
转子—电机泵
液压阀
联系方式
联系人:宋小姐、张先生、李先生
手机:136-9218-9994
电话2:0755-27120370
邮箱:1410876570@qq.COM
QQ :1410876570
地址:深圳市宝安区福永镇凤凰工业区第3栋
液压阀
当前位置:
首页
> 液压阀
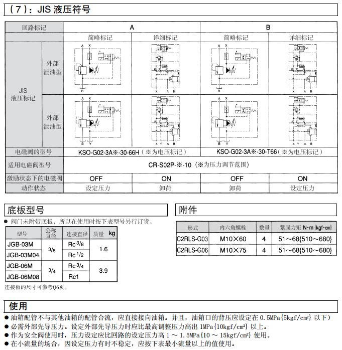
带C2型电磁阀的低压溢流阀
上一條
返回目录
下一條
销售客服
销售客服
服务热线
136-9218-9994
微信二维码